اینورتر سه فاز 37KW هایتک سری F100
163,990,000تومان
اینورتر سه فاز 22KW هایتک سری F100
109,700,000تومان
اینورتر سه فاز 30KW هایتک سری F100
145,280,000تومان
مشخصات فنی:
- کد کالا: F100T40300BX0
- توان اینورتر: 30KW
- ولتاژ ورودی: 380V/3PH
- ولتاژ خروجی: 380V/3PH
- مدهای کنترلی: VF و SVC
- درجه حفاظت(IP): 20
- ابعاد(W*H*D): 400*250*208 mm
- گارانتی: 18 ماه+15 سال خدمات پس از فروش
- کشور سازنده: تایوان
- برند: Hitek
18
نفر در حال مشاهده این محصول هستند!
شناسه محصول:
F100T40300BX0
دسته: اتوماسیون صنعتی, اینورتر
برچسب: اینورتر مشهد, اینورتر هایتک مشهد, فروش اینورتر در تهران, فروش اینورتر در لاله زار
توضیحات
اینورتر هایتک سری F100 در دو تیپ ولتاژی تکفاز 220 ولت از توان 0.75 تا 2.2 کیلووات و سه فاز 380 ولت از توان 0.75 تا 37 کیلووات در ایران موجود می باشد. مدل F100 برای کاربرد نرمال و نیمه سنگین و دارای نرم افزار و سخت افزار با کیفیت می باشد و به راحتی می تواند اکثر نیازها و کاربردهای صنعتی و کارگاهی را برطرف سازد. محدوده ولتاژ ورودی نامی اینورتر هایتک سری F100 تیپ تکفاز 220 ولت از 200 تا 240 ولت AC بوده که قابلیت کارکرد در محدوده 180 تا 260 ولت AC را نیز دارد. تیپ سه فاز 380 ولت از 380 تا 440 ولت AC می باشد که قابلیت کارکرد در محدوده ولتاژی 320 تا 460 ولت را نیز دارد. همچنین محدوده ولتاژ خروجی سری F100 از صفر تا 100% ولتاژ نامی ورودی می باشد. اینورتر Hitek F100 قابلیت کارکرد در شبکه 50 و 60 هرتز را دارد و ماکزیمم فرکانس خروجی از صفر تا 1000 هرتز می باشد. این مدل دارای دو مد کنترلی V/F و SVC است.
اینورتر هایتک تیپ F100 قابلیت تزریق 150% گشتاور نامی در فرکانس 1 هرتز را دارد که این میزان گشتاور جهت راه اندازی کاربردهای عمومی و سنگین فوق العاده می باشد. ظرفیت تحمل اضافه بار در این اینورتر به میزان 150% جریان نامی به مدت 60 ثانیه و 180% جریان نامی به مدت 2 ثانیه می باشد. همچنین قابلیت راه اندازی موتورهای سنکرون، آسنکرون و تکفاز را دارد. ضمنا قابلیت تنظیم شیب راه اندازی و توقف در اینورتر F100 به صورت خطی و منحنی S وجود دارد.
شرکت Hitek با بیش از 20 سال سابقه در زمینه تولید اینورتر موتور، در سال 1994 در تایوان تاسیس شد. این شرکت در سال 2013 به عنوان تولید کننده محصولات باکیفیت تایوانی و به عنوان برند معروف تایوان شناخته و انتخاب شد. کیفیت و محبوبیت محصولات هایتک به قدری است که امروزه اینورترهای هایتک (Hitek) به اروپا، آمریکا، آسیای جنوب شرقی، خاورمیانه و … صادر میگردد. شرکت هایتک جزء 10 شرکت معتبر داخلی تایوان به شمار میآید و طی سالهای متمادی برنده جوایز بسیاری شده است. در حال حاضر واردات اینورترهای هایتک در دو مدل F100 و F300 انجام میگیرد. تمامی اینورتر های برند هایتک شامل 18 ماه گارانتی و 15 سال خدمات پس از فروش می باشند. برای خرید و مشاوره می توانید با کارشناسان الکتروویژن در ارتباط باشید.
ویژگی های اینورتر هایتک سری F100:
- دارای ولوم جهت تغییر فرکانس
- فرکانس خروجی 0 تا 1000 هرتز
- مدهای کنترلی VF و SVC
- دارای PID کنترل داخلی
- ورودی و خروجی های دیجیتال
- ورودی و خروجی آنالوگ
- دارای یونیت ترمز دینامیکی تا 22 کلیووات
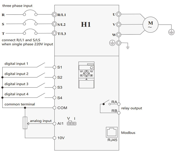
دیاگرام استاندارد سیم کشی اینورتر F100:
شکل ظاهری و عملکرد کی پد اینورتر F100 :
توضیحات تکمیلی
| وزن | 11 کیلوگرم |
|---|---|
| ابعاد | 20.8 × 25 × 40 سانتیمتر |
نظرات (0)
اولین نفری باشید که دیدگاهی را ارسال می کنید برای “اینورتر سه فاز 30KW هایتک سری F100” لغو پاسخ
محصولات مشابه
اینورتر تکفاز 0.4 کیلووات iMaster سری U1
17,460,000تومان
اینورتر تکفاز 0.75KW هایتک سری F300
20,590,000تومان
اینورتر تکفاز 1.5KW هایتک سری F300
23,590,000تومان
اینورتر تکفاز 2.2 کیلووات iMaster سری U1
24,520,000تومان
اینورتر سه فاز 11KW هایتک سری F100
62,630,000تومان
اینورتر سه فاز 2.2KW هایتک سری F300
29,960,000تومان
اینورتر سه فاز 5.5KW هایتک سری F300
46,110,000تومان
اینورتر سه فاز 7.5KW هایتک سری F300
57,630,000تومان



دیدگاهها
هیچ دیدگاهی برای این محصول نوشته نشده است.